Electrical

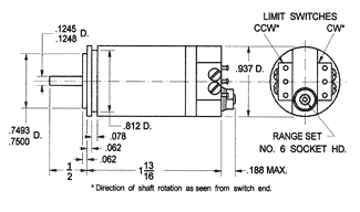
ADJUSTABLE LIMIT SWITCH & STOP

A Component for Precise Electrical & Mechanical Controls & Indication of Rotation in Gear Trains & Instruments

The LS 302 is an infinitely adjustable limit stop in which electrical end switches are actuated just
before the mechanical stop is reached.

Separate, single pole-double throw, snap-acting switches are provided for clockwise and counter clockwise rotation.

The switch-stop range can be set to any angle between 0 and 25 revolutions by means of a single range-setting screw.

Mechanical

General Construction: Corrosion resistant steel and anodized aluminum alloy with Precision Ball Bearings.

Military Specifications: Meets requirements of Mil-E-5400